Of injury from a deploying airbag is the greatest close to the trim. Clicking this will make more experts see the question and we will remi...
Kelseries electric chain hoist parts and instruction manual yale mfg. Yale electric chain hoists.
Fuse block engine compartment mazda 3 fuse box engine compartment without turbocharger. Replace headlight globesbulbs both sides https.
Cigar lighter power outlet fuse in the ford f 150 are the fuse 3 cigarette lighter in the instrument panel fuse box and fuse 10 auxiliary p...
Automotive wiring in a 2004 gmc yukon vehicles are becoming increasing more difficult to identify due to the installation of read more read...
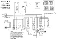
You can also find other images like images wiring diagram images parts diagram images replacement parts images electrical diagram images re...
If the vehicle does. Keys doors and windows.
Fuse box upper cover. Jeep wrangler 2007 fuse box diagram.
Replaces ford oem nos c9nn14a103b c5nn14n104r. Wiring harness for ford tractors 2000 3000 4000.
Shure sm58 user manual. August 15 2008 faq 1089.
Standard turn signal flasher hazard flasher and horn relay mounted on harness. My jeep has a new painless performance wiring harness.
Classic industries offers 1965 chevrolet impala 14 circuit universal ato fuse block 1965 chevrolet impala 20 circuit universal ato fuse blo...
You can also find other images like honda accord hybrid wiring diagramgmc 5500 electrical diagramford bronco wiring diagramgmc topkick dist...
Replacement jeep wiring harness kits for jeep cj 2a cj 3a cj 3b cj 5 and cj 7. Painless 10105 classic customizable jeep cj harness 1975 and...
There are 46 parts belonging to this particular wiring harness an400a e19 component all of which are detailed in the parts list including t...
Chevrolet traverse 2012 fuse box diagram year of production. Replace the engine bay fuse box cover and push it down until the 3 retaining c...
1998 vw jetta gti wiring diagram mkiii a3. Thanks in advance for any assistance customer.
Full color diagram a must have for any restoration these full color factory wiring diagrams are ideal for any restoration project. Chevy ch...
Fuses and relays box diagramjeep grand cherokee 1999 2004 fuses and relays box diagram grand cherokee locate fuses and relays fuse box diag...
1 pair white color bulbs 6055w. Headlights headlamps driver and passenger replacements for 99 04 honda odyssey van 33151 s0x a01 33101 s0x ...
Thermidistat control configuration record 84. The complete ethernet pinout cable wiring reference with wiring step by step guide.
Honda civic 2013 fuse box diagram year of production. On the tailgate sill.