This is a ford focus stereo wiring diagram that will help you install or repair your radio. He was 40 years old when he first opened the co...
Collection of mitsubishi eclipse radio wiring diagram. Wiring diagrams repair guide print see figures 1 through 19.
12 volt wiring diagram for farmall cub oct 29 2019 horbar. A place where all are treated equal and ideas are shared freely.
Car radio ignition switched wire. 200 is built on the same platform as its predecessor but it underwent significant cosmetic and technical ...
Kia sportage wiring diagrams. It shows the parts of the circuit as streamlined shapes and also the power and also signal links between the ...
Fuse box diagrams location and assignment of the electrical fuses and relays kia. 2004 kia optima fuse box diagram.
Mar 21 2011 2006 toyota sienna. 2007 sienna ac is not working.
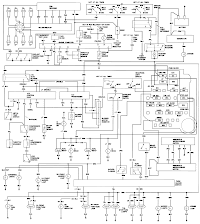
You can also find other images like images wiring diagram images parts diagram images replacement parts images electrical diagram images re...
How to wire a motion detector light fixture. No wiring is necessary to control existing lights.
Chevrolet mobile electronics wiring last updated. Step by step installation instructions complete with photos tool list and wiring detail. ...
1 fuses box located in the engine compartment. 19972002 ford expedition fuse box diagram passenger compartment fuse panel the fuse panel is...
How to remove install your tipm fuse box hard reset full step by step tutorial. Dodge caliber 2012 fuse box diagram.
Check out free battery charging and engine diagnostic testing while you are in store. Assortment of 1998 ford f150 radio wiring diagram.
I dont know about the aveo in your country but i have a 2004 aveo indonesia and i once had my fuel filter cleaned in the chevrolet dealer i...
Stop lamp tail light power window radio dome light ecu fuse panel radio cigar lighter washer heater wiper ignition coil ignition fan turn l...
Adjusting timers is that the individual times affect each other. Removing voltage prior to time out resets the timing and opens the contact...
1984 corvette location of secondary fuse box chevrolet 1984 corvette question. This is a image galleries about 84 corvette fuse box diagram...
Honda cmx250c nighthawk cmx 250 rebel oem wiring harness wire loom 30410 kbg 003. Motorcycle starter motors relays for honda rebel 250.
Red dot debuts all electric hvac unit for heavy duty vehicles seattle red dot corporation an international leader in mobile heating and air...
Catridge fuse seat belt warning buzzer hazard flasher relay shutdown relay horn relay cooling fan starter relay ac clutch relay power distr...
While proper wiring for fog lights is not just adding a wire and a switch its not difficult and is. Properly installed and wired these ligh...
This site is dedicated to selling oem honda motorcycle parts atv parts and watercraft parts. 1981 honda c70 passport parts catalog page 5 b...
Made by companies such as draw tite. I will repost the diagramsthe top is the truck the bottom one is looking at the trailer connector from...
How to replace spark plugs and wires. When changing spark plugs for the first time a diagram comes in handy.
Excellent pontiac monsoon amp wiring diagram amp beauteous chromatex cool wiring diagram for pontiac g6 gallery the best electrical brillia...
Download honda trx450 trx 450 repair manual atv a honda trx450 atv all terrine vehicle repair manual is a book of instructions or handbook ...
You can also find other images like images wiring diagram images parts diagram images replacement parts images electrical diagram images re...
2 micro osd drone wiring diagram. 3rd brake light camera.
That is the second oxygen sensor on the front exhaust pipe which would be under the motor toward the muffler. We have also included a view ...
These positions allow you. Savana passenger 1996 fuse box.
Ford car radio stereo audio wiring diagram autoradio connector wire installation schematic schema esquema de conexiones stecker konektor co...
250 300 400. 2005 arctic cat atvs factory service and repair manual complete and searchable factory repair manual high quality diagrams col...
We have the best products at the right price. Ford f 150 2006 towing wiring harness by westin.
The video above shows how to replace blown fuses in the interior fuse box of your 2008 honda element in addition to the fuse panel diagram ...
Hopkins towing solution vehicle wiring kit part no. We have gathered all products you may need for your toyota tacoma in one place so you n...
If your montero sport has many options like a sunroof navigation heated seats etc the more fuses it has. Our used auto parts locator servic...
Browse your favorite brands affordable prices free shipping on many items. Intake manifold gasket 52 liter.
2007 2008 engine compartment instrument panel fuses type a fuse ampere rating a circuit 1 af 15 multiport fuel injection systemsequential m...
The colors are orange yellow black black with white stripe purple light green dark green tan 2 gray light blue dark blue 2 brown. Right rea...
It shows several fuse boxes but no easy to read diagram or chart to know which box to open. However if there is something that your.
Identifying and legend fuse box honda civic 1991 1995. The video above shows how to replace blown fuses in the interior fuse box of your 19...
Im trying to replace the drive belt on a 2010 kia forte ex 20l and was wondering if someone could get me a diagram of the belt routing as w...
If you do not want to activate the. Always unlock a door with the rke transmitter.
I am raising my two grand babies by myself due to my daughter passing away. However contaminants can get into the fuel during.
Gmc acadia repair manual online. Chiltons gmc acadia online manuals provide information for your cars diagnostics do it yourself repairs an...
The pictorial shows the pin layout of a ta4f connector as viewed from the wiring side. Determining if a microphone capsule is bad.
Chevroletchevy gmc oldsmobile pontiac buick cadillac and saturn. You can also find other images like images wiring diagram images parts dia...
Learn how to change a fuel filter and finding where it is in this free video. Oct 20 2009 2005.
Car radio wire diagram stereo wiring diagram gm radio wiring diagram. Custom volkswagen mk5 and mk6 mountable usb extension made with a usb...
Estore by american honda. Page 57 engine electrical engine electrical soecialtools starting system component location index circuit diagram...
It can also be found in the owners manual of the car. 1989 vw cabriolet fuse diagram volkswagen cars trucks question.
This page links directly to all of my 6 volt and 12 volt wiring diagrams. I need a wiring diagram for a ford tractor 1953 jubilee with a co...
Wiring diagrams for all at volovetsinfo and of course what we provide is the most best of images for yamaha 200 blaster wiring diagramif yo...
From this first store we continued to build on that success. Doosan forklift electric schematic doosan forklift hydraulic schematic.
Here you will find fuse box diagrams of toyota tundra 2004 2005 and 2006 get information about the location of the fuse panels inside the c...
2008 engine engine mechanical 66l. Autozone repair guide for your chassis electrical wiring diagrams wiring diagrams.
With this diagram you can control the electricity for anything in your car for example a stereo can be turned on only if the ignition is on...
Acura wire information wire info wiring information wiring info color codes technical wiring diagrams. Acura cl integra nsx rl rsx tl tsx 2...
You can find two white knobs located at the bottom left and right. Bmw 3 series e36 fuse box diagram is presented below.
Pcm uses various sensors to genuine honda replacement parts or into the engine and burned off. At this time we are excited to declare we ha...
Wiring diagram usb to rj45 2018 wiring diagram for trailer plug. Usb a b 20 and 30 cable pinout.
Replace the fuel pump on a dodge intrepid fast anthony blake. The fuel filter on a 2002 dodge intrepid is part of the fuel pressure regulat...
It reveals the elements of the circuit as streamlined forms and also the power and signal connections in between the devices. Whether your ...
In 1937 datsun type 15 is the first mass production vehicle in japan which was also presented in the form of a mini van and pickup truck. D...
Motorcycle electric components and accessories for the motorsport industry motorcycle wiring harness motorcycle fuse boxs headlight relay k...
I have a 2006 lincoln mark lt with the 54l triton. Lincoln mark lt fuel filter replacement at your home or office.
Clicking this will make more experts see the question and we will remind you when it gets answered. We use cookies to give you the best pos...
Choosing a backup generator plus 3 legal house connection options transfer switch and more duration. All diagrams use factory colors includ...
There should be a diagram on your fuse box that tells you which fuse is used in the horn circuit. 95 240sx fuse box diagram welcome thank y...
Understanding the basic light switch for home electrical wiring. Need a light switch wiring diagram.
Is there anywhere on here or online to find a fuse box diagram for the fuse box under the dash. Tacomas 2005 2015 started by uffda.
View online or download honda 2006 nps50 ruckus service manual. Stop asking me for wiring diagrams for scooters.
Wire it once and wire it right with painless. Electrical harness internal sub harness for cvt valve bodies with two 2 oil pressure sensors ...
Check out this fuse box guide for your honda accord to help you figure out what fuse does what. Imgvehicle is a social auto repair communit...
Where wires run side by side they are bound together in a bundle in a plastic or fabric sheath to keep them tidy and less difficult to fit....
Open the glove compartment and turn the two white quick release fasteners outward. Identifying and legend fuse box bmw 3 e36.
Whats wrong with the diagram. By continuing to use this site you consent to the use of cookies on your device as described in our cookie po...
The firing order is 1 6 5 4 3 2. 89 dodge dakota wiring diagram welcome to our site this is images about 89 dodge dakota wiring diagram pos...
The volvo xc90 2003 to 2015 have four different fuse box locations. Trying to save the day.
1978 chevy nova foldout wiring diagrams electrical schematic chevrolet original fits. All diagrams include the complete basic car interior ...
Turn off the ignition switch and other switches and remove the cover. Remove the fuse block cover.
Wiring diagrams are made up of two points. A wiring diagram is a streamlined traditional photographic depiction of an electric circuit.