
You can find out more Diagram below
2007 Chrysler 300 Engine Diagram Harley Davidson Radio
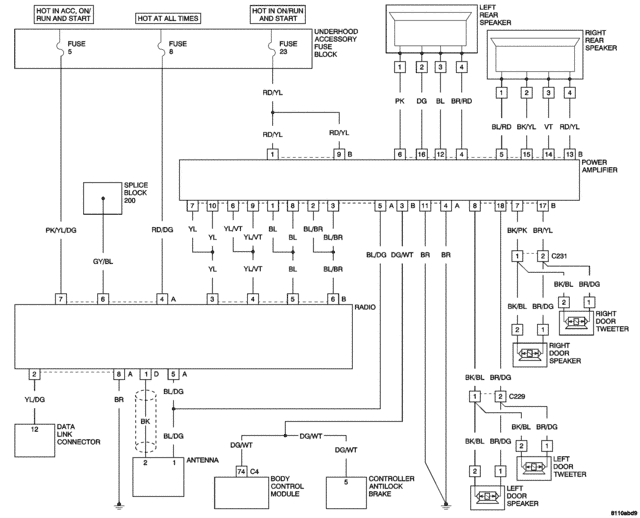
Fuse Box Radio Wiring Diagram Yer Diagrams The 2005 Chrysler
Wiring Diagram C Radio Free Of Diagrams Pertaining 2005
Wiring Diagram For Radio Tutorial Harness Schematic 2005
Radio Wiring Diagram For Sierra Net Fusion Fuse Box Limited
How To Factory Radio Removal And Aftermarket Radio Install 2005 2007 Jeep Grand Cherokee
2006 Chrysler 300 Engine Wiring Harness 2005 2007 Car Radio
2006 Chrysler 300 Engine Wiring Harness 2005 2007 Car Radio
2007 Chrysler 300 Fuse Diagram Wiring Schematic Diagram
Tag Archived Of 2002 Chrysler 300m Radio Wiring Diagram
2007 Chrysler Pacifica Radio Wiring Diagram
Chrysler Radio Wiring Fundacaoaristidesdesousamendes Com
Wiring Diagram Dodge Grand Caravan Radio Diagrams Fresh Jeep
Wiring Site Resource 2005 Chrysler Town And Country Wiring
Chrysler 300 Touring Radio Wiring Diagram 1 Wiring
0 comments:
Post a Comment