Dodge dakota repair manuals are available at the click of a mouse. Dodge wire information wire info wiring information wiring info color codes technical wiring diagrams.
1987 dodge dakota engine diagram i am not sure as to the name of the part needed.

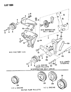
You can find out more Diagram below
1987 dodge dakotum engine diagram. Chiltons dodge dakota repair manuals include diagrams photos and instructions you need to assist you in do it yourself dakota repairs. Wiring diagram schematics for your 1987 dodge truck. This is a image galleries about 1987 dodge dakota wiring diagramyou can also find other images like wiring diagram parts diagram replacement parts electrical diagram repair manuals engine diagram engine scheme wiring harness fuse box vacuum diagram timing belt timing chain brakes diagram transmission diagram and engine problems.
1987 dodge dakota 2dr pickup wiring information. Chiltons dodge dakota online manuals provide information for your cars diagnostics do it yourself repairs and general maintenance. Dodge dakota repair manual online.
A leader in the repair manual industry california based alldata is the 1 vehicle information source for. I need a diagram to identify the dodge 2001 ram 2500 truck question. Created to fill a space between the imported compact dodge ram 50 an un altered mitsubishi pickup and the dodge ram the dakota came with two chrysler built engines a 22 liter four cylinder and a specially.
Select model first alldata gives you all available wiring diagram schematics updated four times a year to meet changing factory service and repair information. Your source for dodge wire information wiring information technical help for your new or used vehicle dodge technical wiring diagrams wire information wirediagram. The 1987 dodge dakota burst onto the scene in 1986 styled like the full sized dodge ram.









0 comments:
Post a Comment